| <<< Previous topic - Next topic >>> |
|
| Author |
Message |
kdw

Joined: 05 May 2006 Posts: 1530
|
Posted: 05.01.2026, 07:23 Post subject: WRD/Probe + WRD/Box + WRD Services … |
|
|
Du entwickelst Embedded-Systeme mit Funkschnittstellen für den Batteriebetrieb? Dann gehören die Implementierung der Power-Management-Funktionen für die geforderte Batterielebensdauer sowie eine robuste Funkkommunikation, die in jeder Anwendungsumgebung zuverlässig funktioniert und auch die erforderliche Cyberresilienz besitzt, zu deinen alltäglichen Herausforderungen. Eine WRD/Probe, die WRD/Box sowie die WRD Services können dich mit den folgenden Funktionen unterstützen:
Power-Mode-Profiling (PMP): Unter einem Power Mode Profiling versteht man die systematische Analyse und Bewertung des Energieverbrauchs eines Systems innerhalb der verschiedenen Betriebs- bzw. Leistungsmodi (den sogenannten „Power Modes“). Kurz gesagt: Man untersucht, wie viel Energie ein Gerät oder System in unterschiedlichen Zuständen verbraucht und wie es zwischen diesen Systemzuständen wechselt. Mit Hilfe einer WRD/Probe kannst du im Rahmen der Feldtestphase direkt in der Anwendungsumgebung nachmessen, ob die kalkulierten Stromaufnahmen deiner neuen Entwicklung in den einzelnen Power-Modi innerhalb der Toleranzen liegen. Falls dabei z. B. Duty-Cycle-Änderungen zur Optimierung erforderlich sind, lässt sich die neue Firmware-Version auch gleich in den Target-Flash kopieren und starten.
Frequenz-Spektrum-Profiling (FSP): Damit ist die Analyse und Beschreibung gemeint, wie beispielsweise ein LoRaWAN-Sensor das Funkfrequenzspektrum nutzt - also verwendete Frequenzen, Bandbreite, Sendeleistung sowie das zeitliche Sendeverhalten (Latency), um die Normkonformität, Zuverlässigkeit und den effizienten Funkbetrieb sicherzustellen. Im Zusammenspiel zwischen WRD/Probe und WRD/Box lassen sich aber auch umgebungsbezogene Kennzahlen, wie die Packet Loss Rate (PLR) ermitteln sowie Resilienzeigenschaften verifizieren. Auch der Jitter der Funkstrecke (Delay Variation – Veränderung der Latency) innerhalb eines bestimmten Zeitintervalls (z. B. eines Tages) ist mit einer solchen Testkonfiguration bestimmbar. Sogar der Zusammenhang zwischen spektraler Qualität und Batterielebensdauer lässt sich genauer untersuchen - Listen-before-Talk (LBT)-Konzepte und durch Interferenzen verloren gegangene Antworten nach einem Datenversand führen in der Regel zu einem höheren Energieverbrauch bei Funksensoren.
Remote Teaming Support: Es gibt inzwischen Aufgabenstellungen für Embedded-Systeme, in denen ein einfacher Remote-Debug-Zugriff durch den Firmware-Entwickler nicht mehr ausreicht, um eine Problemursache zu diagnostizieren. Ein Beispiel wäre der Einsatz von Machine Learning (ML)-basierten Softwarefunktionen direkt in einem LoRaWAN-Sensor (Edge AI/ML). Hier ist in der Regel ein virtuelles Team aus ML-Experten, Embedded-Entwickler und Anwender erforderlich, um effektive Problemdiagnosen und Optimierungen durchzuführen. Mit einem solchen Team sind auch die systembezogenen Ping-Zeiten bestimmbar (also die Gesamtübertragungszeit, die ein Datenpaket vom Target bis in eine Public Cloud benötigt), sowie der zeitliche Zusammenhang zwischen Sensormesswert und Ergebnisnutzung untersuchbar bzw. optimierbar. Dabei sollte sinnvollerweise ein Multi-Target-Remote-Debugging zum Einsatz kommen.
Last edited by kdw on 07.02.2026, 08:58; edited 1 time in total |
|
| Back to top |
|
 |
kdw

Joined: 05 May 2006 Posts: 1530
|
Posted: 06.02.2026, 15:54 Post subject: Blockdiagramm der WRD/Probe ... |
|
|
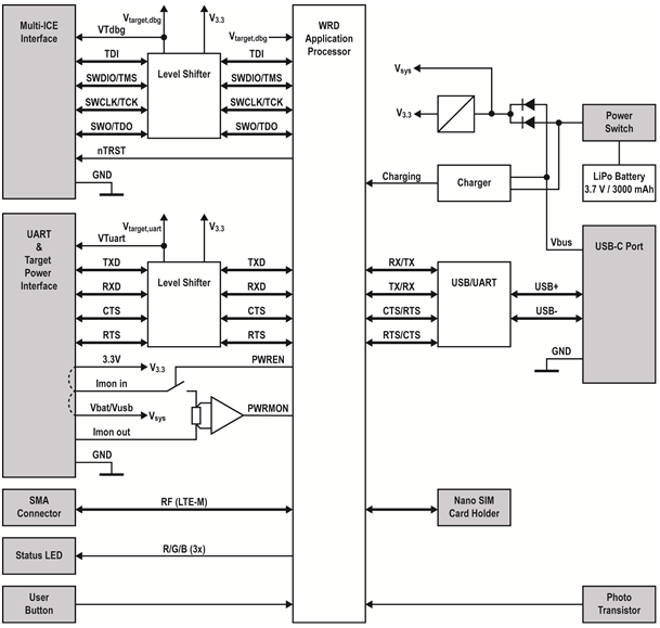
Das Blockdiagramm der WRD/Probe besitzt eine typische Gateway-Architektur: Die eine Seite ist in diesem Fall per SWD, JTAG bzw. UART mit einer Target-Baugruppe verbunden (siehe Multi-ICE Interface, UART & Target Power Interface). Die andere Gateway-Seite bildet eine LTE-M-Mobilfunkschnittstelle (siehe SMA Connector) bzw. Antenne. Dazu gehört auch der Nano SIM Card Holder für eine SIM-Karte, die für die Einwahl in ein Mobilfunknetz benötigt wird, um eine Remote-Verbindung zu einer Entwicklungsumgebung (IDE) aufzubauen. Darüber hinaus existiert noch eine UART-Verbindung am USB-C-Steckverbinder (USB-C Port), die allerdings für das Remote Debugging nicht benötigt wird.
Das zentrale Funktionselement im Blockdiagramm ist der WRD Application Processor (WAP), eine Arm Cortex M33 MCU incl. Arm CryptoCell-310 mit einer umfangreichen Firmware sowie einem integriertem GDBserver für die Debug-Verbindung zum Target. Der WAP besitzt ein integriertes LTE-M Modem mit Zertifizierungen für internationale Mobilfunknetze. Die WAP-Funktionen bilden darüber hinaus den Security-Endpunkt für die TLS-basierte Verbindung zwischen WRD/Probe und der Entwickler-Workstation mit der Entwicklungsumgebung.
Die WAP-Firmware überwacht auch den Ladezustand des WRD/Probe-internen LiPo-Akku (LiPo Battery) und steuert die Bedienelemente Status LED, User Button sowie Photo Transistor. Des Weiteren besitzt der WAP einen speziellen analogen Eingang (PWRMON) mit einer entsprechenden Eingangsbeschaltung (Target Power Interface) für das Energy Monitoring (Power Consumption Monitoring) der externen Target-Baugruppe. |
|
| Back to top |
|
 |
kdw

Joined: 05 May 2006 Posts: 1530
|
Posted: 13.02.2026, 06:20 Post subject: Die LiPo-Batterie der WRD/Probe … |
|
|
Hallo Forum.
Das neue Batterierecht-Durchführungsgesetz (BattDG), das in Deutschland die EU-Batterieverordnung (EU 2023/1542) umsetzt, bringt tiefgreifende Pflichten für Hersteller von Geräten mit sich, die Batterien oder Akkus enthalten. Diese Pflichten zielen auf mehr Nachhaltigkeit, Kreislaufwirtschaft und Transparenz ab. Hier eine per KI erstellte Übersicht mit den wichtigsten Anforderungen für Gerätehersteller:
1. Zentraler Punkt: Der digitale Batteriepass
Ab dem 18. Februar 2027 müssen bestimmte Batterien (insbesondere in E-Bikes, Industriebatterien > 2 kWh und E-Auto-Batterien) einen digitalen Batteriepass besitzen.
Inhalt: Der Pass enthält Informationen zum Co2-Fußabdruck, zur Herkunft der Rohstoffe (Cobalt, Lithium, Nickel), zum Recyclinganteil und zur Leistung/Haltbarkeit.
Zugang: Der Pass wird über einen QR-Code auf dem Produkt abrufbar sein.
Umsetzung: Gerätehersteller müssen sicherstellen, dass ihre Lieferkette diese Daten liefert, damit sie als Inverkehrbringer den Pass erstellen oder mit dem Produkt verknüpfen können.
2. Kennzeichnungs- und Informationspflichten
Kennzeichnung: Batterien müssen mit Informationen zur Kapazität, Leistung, Haltbarkeit und dem Recyclinganteil versehen werden.
QR-Code: Ein QR-Code ist ab 2027 zwingend, um den Batteriepass und andere Informationen abrufbar zu machen.
CE-Kennzeichnung: Die Einhaltung der neuen Batterieverordnung muss durch eine CE-Kennzeichnung bestätigt werden.
3. Produktdesign und Austauschbarkeit
Entnehmbarkeit: Gerätehersteller müssen ihre Produkte so konzipieren, dass Altbatterien/Akkus durch Endnutzer oder unabhängige Fachleute leicht entnommen und ausgetauscht werden können.
Reparierbarkeit: Das Design muss die Reparatur und Wiederverwendung fördern, anstatt nur auf Wegwerfprodukte zu setzen.
4. Produzentenverantwortung (EPR - Extended Producer Responsibility)
Registrierung: Hersteller müssen sich bei der zuständigen Behörde (Stiftung EAR) registrieren.
Rücknahme & Verwertung: Hersteller müssen für die Rücknahme und das Recycling von Altbatterien sorgen. Dies umfasst die Finanzierung des gesamten Prozesses, oft in Kooperation mit Rücknahmesystemen.
Berichtspflichten: Regelmäßige Berichte über in Verkehr gebrachte Batterien und Rücknahmequoten sind zwingend.
5. Lieferkettensorgfaltspflichten
Hersteller müssen Umwelt- und Sozialrisiken in der Lieferkette, die mit dem Abbau, der Verarbeitung und der Vermarktung von Rohstoffen verbunden sind, identifizieren und verhindern.
Zusammenfassung der Fristen
Ab 18. Februar 2024: Gelten grundlegende Regeln der neuen EU-Verordnung (teilweise).
Ab 15. Januar 2026: Wichtige Fristen zur Anpassung an das neue BattDG: Beteiligungspflicht an einer zugelassenen Organisation für Herstellerverantwortung (OfH) für jede Batteriekategorie und eine damit möglich Herstellerregistrierungspflicht bei der EAR-Stiftung (EAR = Elektro-Altgeräte-Register).
Ab 18. Februar 2027: Pflicht zum digitalen Batteriepass für E-Bike/Industriebatterien.
VG KDW |
|
| Back to top |
|
 |
|
|
You cannot post new topics in this forum You cannot reply to topics in this forum You cannot edit your posts in this forum You cannot delete your posts in this forum You cannot vote in polls in this forum
|
|